Control Panel for Home Assistant | Logitech MK240 style
Files
Creality Cloud yaml ☕︎ Treat the author to a cup of tea 🡥
Description
This is a control panel running the esphome firmware for quickly controlling devices in Home Assistant. The design is inspired by the Logitech MK240 keyboard.
- 4 buttons and 16 programming options (single click, double click, triple click, long press)
- Bluetooth proxy allowing to extend the Bluetooth range
- BLE Tracker allowing to track Bluetooth Low Energy devices
Components
| Image | Component | Link | Qty | Note |
|---|---|---|---|---|
![]() |
ESP32C3 PRO MINI | Aliexpress | 1 | |
![]() |
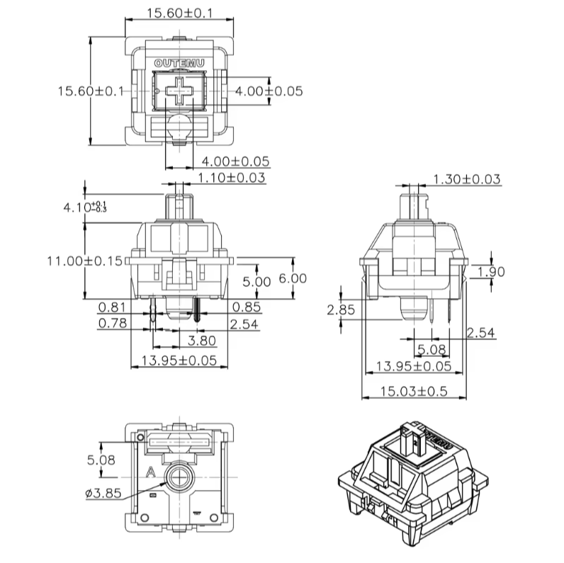
KEYBOARD SWITCH | Aliexpress | 4 |
Schematic
Firmware Installation
You can use the button below to install the pre-compiled firmware directly to your device via USB from your browser, or download the configuration file and install the firmware another way
Web Installer
- Connect the ESP to a USB port. You may need to press and hold the boot button while simultaneously pressing the reset button.
- Click "Connect" and select the correct COM port.
- Wait about 2 minutes for the firmware to install.
- After installation, you can configure Wi-Fi.
Automation Example
description: ""
mode: single
triggers:
- trigger: state
entity_id:
- sensor.control_pad_1
to:
- single
id: 1 single
- trigger: state
entity_id:
- sensor.control_pad_1
to:
- double
id: 1 double
- trigger: state
entity_id:
- sensor.control_pad_1
to:
- triple
id: 1 triple
- trigger: state
entity_id:
- sensor.control_pad_1
to:
- hold
id: 1 hold
conditions: []
actions:
- choose:
- conditions:
- condition: trigger
id:
- 1 single
sequence: []
- conditions:
- condition: trigger
id:
- 1 double
sequence: []
- conditions:
- condition: trigger
id:
- 1 triple
sequence: []
- conditions:
- condition: trigger
id:
- 1 hold
sequence: []
Comments






